Φ6mm 無刷空心杯電機
產品型號:MC0623
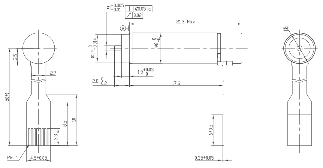
直徑(mm):6
長度(mm):23
額定電壓(V):12
額定轉速(rpm):46800±10%
堵轉轉矩(mNm):1.5±7%
堵轉電流(A):0.85±20%
轉矩常數(mNm/A):1.73±20%
速度常數(rpm/V):5523±20%
輸出軸直徑(mm):1
| 電機數據(額定值) | |||
| 額定電壓(V) | 12 | ||
| 空載轉速(rpm) | 63400±10% | ||
| 空載電流(A) | 37±50% | ||
| 額定轉速 (rpm) | 46800±10% | ||
| 額定轉矩(mNm) | 0.4 | ||
| 額定電流(A) | 0.256±50% | ||
| 堵轉轉矩(mNm) | 1.5±7% | ||
| 堵轉電流(A) | 0.85±20% | ||
| 最大效率(%) | 63±7% | ||
| 電機常數(額定值) | |||
| 相間電阻(Ω) | 14.4±10% | ||
| 相間電感(mH) | 0.1±10% | ||
| 轉矩常數(mNm/A) | 1.73±20% | ||
| 速度常數(rpm/V) | 5523±20% | ||
| 轉速/轉矩斜度( rpm/mNm) | 45972±20% | ||
| 機械時間常數(ms) | 2.84±20% | ||
| 轉子慣量(gcm2) | 0.007±20% | ||
| 熱參數 | |||
| 機殼-環境熱阻(K/W) | 67.9 | ||
| 繞組-機殼熱阻(K/W) | 15.2 | ||
| 繞組熱時間常數(s) | 1.54 | ||
| 電機熱時間常數(s) | 71.5 | ||
| 環境溫度(℃) | ?? -20~+100 | ||
| 最高繞組溫度(℃) | 125 | ||
| 機械參數(滾珠軸承) | |||
| 最大允許轉速(rpm) | 100 000 | ||
| 最大軸向間隙(mm) | < 0.15 N? 0 | ||
| ?> 0.15 N? 0.06(max) | |||
| 徑向間隙 | ?preloaded | ||
| 最大軸向動態載荷(N) | 0.1 | ||
| 最大允許安靜態裝力(N) | 10 | ||
| 最大徑向載荷,距離法蘭處2mm處(N) | 2 | ||
| 端子型號 | |||
| Molex 52745-0897 52207-0460 | |||
| FCI SFV8R-2STBE1HLF SFW4R-2STGE1LF |
設計圖紙
















Φ6mm 無刷空心杯電機規格書
